Roulement insert pour palier auto aligneur ES204-12G2
Référence web : D250-A164569
Référence fabricant : ES204-12G2
Référence fabricant : ES204-12G2
Roulement insert pour palier auto aligneur
Afin de pouvoir commander, vous devez vous connecter ou créer un compte.
Se connecter pour commander
Description
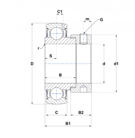
Diamètre extérieur sphérique, fixation par bagues excentriques, joint à une lèvre
Détails techniques
| Diamètre intérieur (mm) | 19,05 |
| Diamètre exterieur (mm) | 47,00 |
| largeur (mm) | 21,40 |
| Pouce/Métrique | Métrique |
| Jeux radial | C3 |
| Étanchéité | 2 joints |
| Description étanchéité | 2 joints |
| Matière des bagues | Acier |
| Série | ES200 |
| Matière de la cage | Cage en acier |
| Type d'alésage | Cylindrique |
| Collerette sur la bague extérieure | Oui |
| Rainure pour la bague d'arrêt | Oui |
| Nombre de colonnes | 1 |
| Norme | ISO 2264 |
| type de fixation à l'arbre | Bague excentrique |
| description du jeu radial | Jeu plus grand que que le jeu normal |
| Type de produit | Roulement à insert pour palier auto aligneur |
| largeur bague ext. mm | 14,00 |
| Regraissable | Non |
| Capacité statique (kN) | 6,650 |
| Capacité dynamique (kN) | 12,800 |
Produits similaires
<
>
| Diamètre intérieur (mm) | Diamètre exterieur (mm) | Pouce/Métrique | largeur (mm) | largeur bague ext. mm | Série | Étanchéité | Description étanchéité | Jeux radial | description du jeu radial | Type de produit | Matière des bagues | Matière de la cage | Type d'alésage | Norme | Vitesse limite (tr/min) | type de fixation à l'arbre | Regraissable | Capacité statique (kN) | Capacité dynamique (kN) | |
|---|---|---|---|---|---|---|---|---|---|---|---|---|---|---|---|---|---|---|---|---|
Roulement insert pour palier auto aligneur SES204-12
Référence web : D250-B286330
|
19,05 | 47,00 | Métrique | 31 | 14 | SES200 | 2 joints | 2 joints | C3 | Jeu plus grand que que le jeu normal | Acier | Cage en acier | Cylindrique | ISO 2264 | Bague excentrique | X | 6,8 | 10,1 | ||
Roulement insert pour palier auto aligneur SES208-24
Référence web : D250-B286333
|
38,10 | 80,00 | Métrique | 43,7 | 18 | SES200 | 2 joints | 2 joints | C3 | Jeu plus grand que que le jeu normal | Acier | Cage en acier | Cylindrique | ISO 2264 | Bague excentrique | X | 18,2 | 22,8 | ||
Roulement insert pour palier auto aligneur ZUC205FG
Référence web : D250-B289485
|
25,00 | 52,00 | Métrique | 34 | 17,00 | ZUC200 | 2 joints | 2 joints | C3 | Jeu plus grand que que le jeu normal | Roulement à insert pour palier auto aligneur | Acier | Cage en acier | Cylindrique | ISO 2264 | Vis | Non | 7,880 | 14,000 | |
Roulement insert pour palier auto aligneur ZUC206FG
Référence web : D250-B289486
|
30,00 | 62,00 | Métrique | 38,1 | 19,00 | ZUC200 | 2 joints | 2 joints | C3 | Jeu plus grand que que le jeu normal | Roulement à insert pour palier auto aligneur | Acier | Cage en acier | Cylindrique | ISO 2264 | Vis | Non | 11,200 | 19,500 | |
Roulement insert pour palier auto aligneur ZUC207FG
Référence web : D250-B289487
|
35,00 | 72,00 | Métrique | 42,9 | 20,00 | ZUC200 | 2 joints | 2 joints | C3 | Jeu plus grand que que le jeu normal | Roulement à insert pour palier auto aligneur | Acier | Cage en acier | Cylindrique | ISO 2264 | Vis | Non | 15,200 | 25,750 | |
Roulement insert pour palier auto aligneur ZUC208FG
Référence web : D250-A200903
|
40,00 | 80,00 | Métrique | 49,2 | 21,00 | ZUC200 | 2 joints | 2 joints | C3 | Jeu plus grand que que le jeu normal | Roulement à insert pour palier auto aligneur | Acier | Cage en acier | Cylindrique | ISO 2264 | Vis | Non | 18,200 | 29,600 | |
Roulement insert pour palier auto aligneur EX201G2L4
Référence web : D250-H911049
|
12,00 | 47,00 | Métrique | 43,5 | 16,00 | EX200 | L4 | Joints labyrinthe | C3 | Jeu plus grand que que le jeu normal | Roulement à insert pour palier auto aligneur | Acier | Cage en acier | Cylindrique | ISO 2264 | Bague excentrique | Non | 6,650 | 12,800 | |
Roulement insert pour palier auto aligneur EX202G2L4
Référence web : D250-H911050
|
15,00 | 47,00 | Métrique | 43,5 | 16,00 | EX200 | L4 | Joints labyrinthe | C3 | Jeu plus grand que que le jeu normal | Roulement à insert pour palier auto aligneur | Acier | Cage en acier | Cylindrique | ISO 2264 | Bague excentrique | Non | 6,650 | 12,800 | |
Roulement insert pour palier auto aligneur EX203G2L4
Référence web : D250-H911052
|
17,00 | 47,00 | Métrique | 43,5 | 16,00 | EX200 | L4 | Joints labyrinthe | C3 | Jeu plus grand que que le jeu normal | Roulement à insert pour palier auto aligneur | Acier | Cage en acier | Cylindrique | ISO 2264 | Bague excentrique | Non | 6,650 | 12,800 | |
Roulement insert pour palier auto aligneur EX204G2L4
Référence web : D250-H911054
|
20,00 | 47,00 | Métrique | 43,5 | 16,00 | EX200 | L4 | Joints labyrinthe | C3 | Jeu plus grand que que le jeu normal | Roulement à insert pour palier auto aligneur | Acier | Cage en acier | Cylindrique | ISO 2264 | Bague excentrique | Non | 6,650 | 12,800 |











