Roulements « inserts » A-JL208-108D1C3/L738
Référence web : D250-B282151
Référence fabricant : A-JL208-108D1C3/L738
Référence fabricant : A-JL208-108D1C3/L738
Roulements "inserts"
Afin de pouvoir commander, vous devez vous connecter ou créer un compte.
Se connecter pour commander
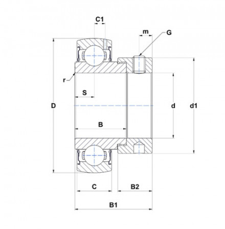
Description
Diamètre extérieur sphérique, fixation par bagues excentriques, joint à une lèvre, pour applications à basse température
Documentations techniques
Catalogue
Détails techniques
| Type de produit | Roulement "inserts" |
| Pouce/Métrique | Pouce |
| Jeux radial | C3 |
| Étanchéité | 2 joints |
| Description étanchéité | 2 joints |
| Matière des bagues | Acier |
| Série | AGR |
| Matière de la cage | Cage en tôle rivetée (jr) |
| Type d'alésage | Cylindrique |
| Collerette sur la bague extérieure | Oui |
| Rainure pour la bague d'arrêt | Oui |
| Nombre de colonnes | 1 |
| Norme | ISO 2264 |
| type de fixation à l'arbre | Bague excentrique |
| description du jeu radial | Jeu plus grand que que le jeu normal |
Produits similaires
<
>
| Diamètre intérieur (mm) | Diamètre exterieur (mm) | largeur (mm) | Série | Étanchéité | Jeux radial | Type de produit | Pouce/Métrique | Description étanchéité | Rainure pour la bague d'arrêt | Matière de la cage | Type d'alésage | description du jeu radial | forme du corps de palier | largeur bague ext. mm | Regraissable | Longueur du corp de palier (mm) | Hauteur du corp de palier (mm) | Largeur du corp de palier (mm) | Distance entre les points de fixation (mm) | Distance entre la base du logement et le centre du roulement (mm) | Capacité statique (kN) | Capacité dynamique (kN) | |
|---|---|---|---|---|---|---|---|---|---|---|---|---|---|---|---|---|---|---|---|---|---|---|---|
Paliers auto-aligneurs UCP212NAGR
Référence web : D250-B282197
|
60,00 | 110 | 65,1 | AGR | AGR | C3 | Palier auto aligneur | Métrique | Etanchéité technologie « agr » : l3 + déflecteur | Oui | Cage en acier | Cylindrique | Jeu plus grand que que le jeu normal | Palier à semelle | 27,00 | Non | 241 | 138 | 70 | 184 | 69,8 | 32,800 | 52,500 |
Paliers auto-aligneurs UCT212NAGR
Référence web : D250-A622165
Référence : D2402700403 |
60,00 | 110,00 | 65,1 | AGR | AGR | C3 | Palier auto aligneur | Métrique | Etanchéité technologie « agr » : l3 + déflecteur | Oui | Cage en acier | Cylindrique | Jeu plus grand que que le jeu normal | Coulisseaux-tendeur | 27,00 | Non | 194 | 146 | 64 | 119 | 32,800 | 52,500 | |
Paliers auto-aligneurs EXFE212AGR
Référence web : D250-B282161
|
AGR | AGR | C3 | Palier auto aligneur | Métrique | Etanchéité technologie « agr » : l3 + déflecteur | Oui | Cage en acier | Cylindrique | Jeu plus grand que que le jeu normal | Carré | Non | |||||||||||
Paliers auto-aligneurs UCF212AGR
Référence web : D250-B282193
|
60,00 | 110 | 65,1 | AGR | AGR | C3 | Palier auto aligneur | Métrique | Etanchéité technologie « agr » : l3 + déflecteur | Oui | Cage en acier | Cylindrique | Jeu plus grand que que le jeu normal | Carré | 27,00 | Non | 175 | 48 | 175 | 143 | 29 | 32,800 | 52,500 |
Paliers auto-aligneurs XUCFE308A05B168
Référence web : D250-A613709
Référence : 240272620 |
40,00 | 90,00 | 44,4 | AGR | AGR | C3 | Palier auto aligneur | Métrique | Etanchéité technologie « agr » : l3 + déflecteur | Oui | Cage en acier | Cylindrique | Jeu plus grand que que le jeu normal | Carré | 28,00 | oui | 130 | 37,7 | 130 | 101,5 | 23,2 | 24,000 | 40,560 |
Paliers auto-aligneurs XUCFE308B01B169
Référence web : D250-B282200
|
40,00 | 90,00 | 42,9 | AGR | AGR | C3 | Palier auto aligneur | Métrique | Etanchéité technologie « agr » : l3 + déflecteur | Oui | Cage en acier | Cylindrique | Jeu plus grand que que le jeu normal | Carré | 28,00 | oui | 130 | 40,5 | 130 | 101,5 | 24,000 | 40,560 | |
Paliers auto-aligneurs UCF207NAGR
Référence web : D250-B282191
|
35,00 | 72,00 | 42,9 | AGR | AGR | C3 | Palier auto aligneur | Métrique | Etanchéité technologie « agr » : l3 + déflecteur | Oui | Cage en acier | Cylindrique | Jeu plus grand que que le jeu normal | Carré | 20,00 | Non | 117 | 34 | 117 | 92 | 19 | 15,200 | 25,700 |
Paliers auto-aligneurs UCF210NAGR
Référence web : D250-B282192
|
50,00 | 90,00 | 51,6 | AGR | AGR | C3 | Palier auto aligneur | Métrique | Etanchéité technologie « agr » : l3 + déflecteur | Oui | Cage en acier | Cylindrique | Jeu plus grand que que le jeu normal | Carré | 23,00 | Non | 143 | 40 | 143 | 111 | 22 | 23,200 | 35,100 |
Paliers auto-aligneurs UCF212NAGR
Référence web : D250-B282194
|
60,00 | 110 | 65,1 | AGR | AGR | C3 | Palier auto aligneur | Métrique | Etanchéité technologie « agr » : l3 + déflecteur | Oui | Cage en acier | Cylindrique | Jeu plus grand que que le jeu normal | Carré | 27,00 | Non | 175 | 48 | 175 | 143 | 29 | 32,800 | 52,500 |
Paliers auto-aligneurs UCFL207NAGR
Référence web : D250-B282195
|
35,00 | 72,00 | 42,9 | AGR | AGR | C3 | Palier auto aligneur | Métrique | Etanchéité technologie « agr » : l3 + déflecteur | Oui | Cage en acier | Cylindrique | Jeu plus grand que que le jeu normal | Ovale | 20,00 | Non | 161 | 34 | 90 | 130 | 19 | 15,200 | 25,700 |












